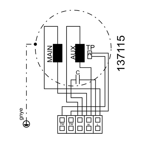
KCF-N 500 E4 21

Kabin Fanı