ARFH-S
Standart Çatı Fanı – Yatay Atışlı
ARFH model çatı fanları; çatıdaki havalandırma şaftlarına monte edilebilen, dış ortamda çalışmaya uygun fanlardır. Residence, ofis, alışveriş merkezi, endüstriyel bina vb. pek çok yapının egzost fanı olarak kullanılır.
Yapısı
– Geriğe eğik seyrek kanatlı, yatay atışlı çatı tipi fan
– Deniz suyu korozif etkisine dayanıklı Alüminyum (AlMg3) gövde
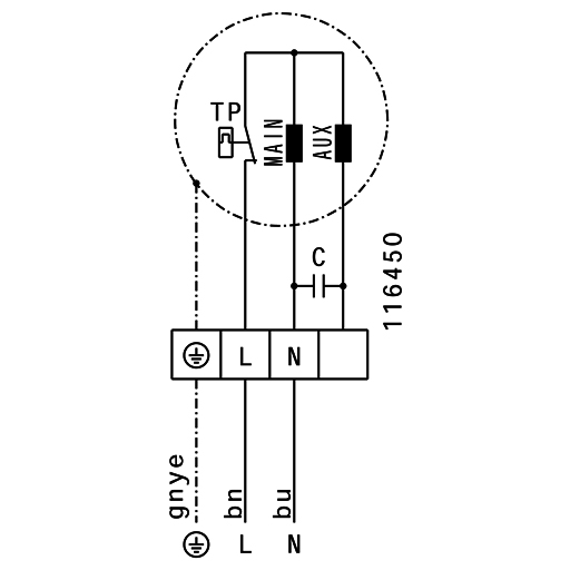
– Entegre bakım şalterli
– 11950 m3/h’e kadar hava debisi
– Hız ayarına uygun, voltaj kontrollü
– Entegre termik korumalı
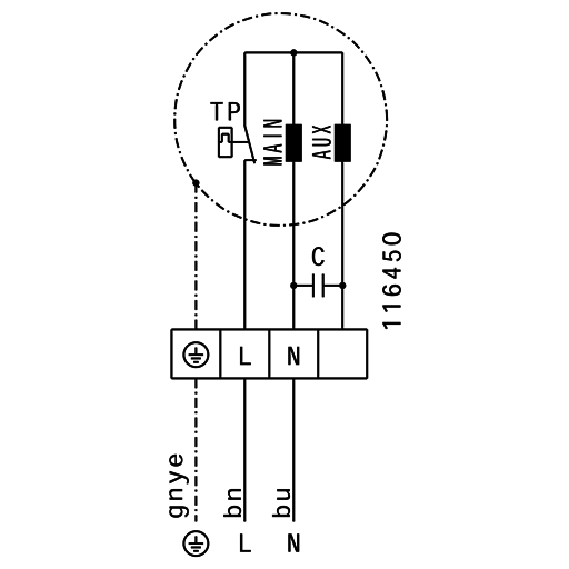
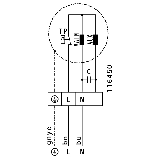
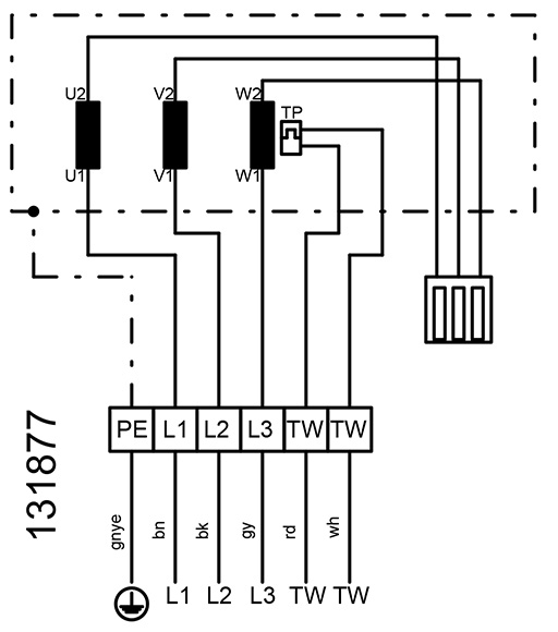
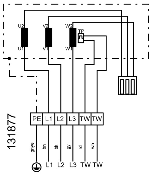
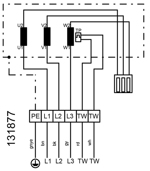
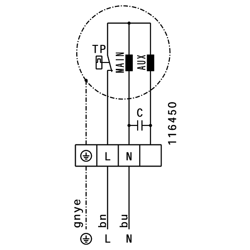
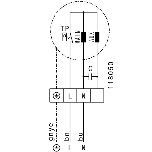
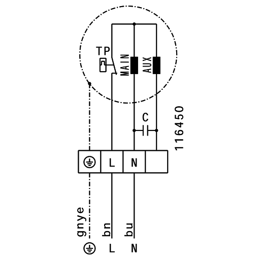
– Monofaze, 230 V / Trifaze 400V ( ARFH 450 D4 ve sonrası çaplarda Trifaze 400V )
– Bakım gerektirmeyen, uzun ömürlü rulman
– Standart 50 Hz ( 60 Hz opsiyonu mevcuttur )
Performans Verileri
| Model | Hava Debisi [m3/h] | ||||||||||
| 0Pa | 50Pa | 100Pa | 150Pa | 200Pa | 250Pa | 300Pa | 400Pa | 500Pa | 600Pa | 700Pa | |
| ARFH-S 190 E2 40 | 490 | 449 | 397 | 339 | 265 | 191 | 106 | – | – | – | – |
| ARFH-S 190 E4 40 | 270 | 192 | 46 | – | – | – | – | – | – | – | – |
| ARFH-S 220 E2 30 | 890 | 834 | 772 | 695 | 606 | 512 | 401 | 159 | – | – | – |
| ARFH-S 220 E4 30 | 443 | 322 | 130 | – | – | – | – | – | – | – | – |
| ARFH-S 225 E2 30 | 1120 | 1068 | 1113 | 943 | 874 | 812 | 742 | 543 | 261 | – | – |
| ARFH-S 250 E4 30 | 690 | 572 | 405 | 25 | – | – | – | – | – | – | – |
| ARFH-S 280 E4 30 | 1270 | 1055 | 840 | 417 | – | – | – | – | – | – | – |
| ARFH-S 315 E4 30 | 1885 | 1679 | 1420 | 1082 | 571 | 62 | – | – | – | – | – |
| ARFH-S 355 E4 30 | 3020 | 2811 | 2616 | 2392 | 2100 | 1754 | 1258 | – | – | – | – |
| ARFH-S 400 E4 30 | 4335 | 4083 | 3822 | 3556 | 3297 | 3082 | 2804 | 1763 | – | – | – |
| ARFH-S 450 D4 30 | 5870 | 5632 | 5362 | 5097 | 4834 | 4572 | 4294 | 3598 | 2473 | – | – |
| ARFH-S 500 D4 30 | 9240 | 8976 | 8706 | 8411 | 8080 | 7811 | 7517 | 6900 | 6228 | 5202 | 3766 |
| ARFH-S 560 D4 30 | 11950 | 11671 | 11380 | 11048 | 10655 | 10294 | 9890 | 9008 | 7974 | 6714 | 4953 |
Teknik Veriler
