BFA
Dikdörtgen Kanal Fanı
BFA model fanlar dikdörtgen kanallara monte edilmek için tasarlanmıştır. Ofisler, restoranlar, oteller ,teknik mekan vb. pek çok yapının havalandırma uygulamasında kullanılmaktadır.
Yapısı
– Geriye eğik kanatlı, radyal pervaneli dikdörtgen kanal tipi fan
– İzoleli galvaniz metal gövde
– 3870 m³/h’ e kadar hava debisi
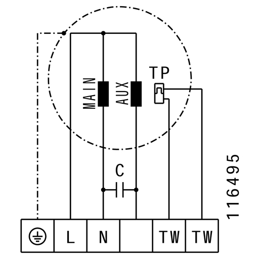
– Hız ayarına uygun, voltaj kontrollü
– Monofaze 230 V
– Bakım gerektirmeyen, uzun ömürlü rulman
– Standart 50 Hz ( 60 Hz opsiyonu mevcuttur )
| Model | Hava Debisi [m3/h] | |||||||||
| 0Pa | 50Pa | 100Pa | 150Pa | 200Pa | 250Pa | 300Pa | 400Pa | 500Pa | 600Pa | |
| BFA 125 E2 10 | 306 | 278 | 249 | 215 | 177 | 141 | 100 | – | – | – |
| BFA 150 E2 11 | 604 | 561 | 513 | 469 | 424 | 376 | 331 | 232 | 115 | – |
| BFA 160 E2 11 | 643 | 604 | 556 | 503 | 451 | 398 | 343 | 229 | 118 | – |
| BFA 125 E2 20 | 338 | 310 | 278 | 246 | 211 | 170 | 131 | – | – | – |
| BFA 150 E2 20 | 390 | 347 | 307 | 269 | 229 | 183 | 138 | – | – | – |
| BFA 160 E2 20 | 398 | 356 | 310 | 269 | 226 | 173 | 123 | – | – | – |
| BFA 200 E2 11 | 728 | 675 | 615 | 554 | 491 | 427 | 362 | 228 | – | – |
| BFA 250 E2 20 | 1090 | 1044 | 990 | 917 | 831 | 765 | 708 | 584 | 387 | 197 |
| BFA 355 E4 20 | 2188 | 1994 | 1787 | 1618 | 1440 | 1252 | 1016 | 498 | – | – |
| BFA 400 E4 20 | 2406 | 2218 | 1993 | 1754 | 1553 | 1335 | 1062 | 484 | – | – |
| BFA 450 E4 20 | 3589 | 3407 | 3197 | 2991 | 2742 | 2441 | 2183 | 1472 | 827 | – |
| BFA 500 E4 20 | 3868 | 3639 | 3380 | 3136 | 2872 | 2574 | 2289 | 1507 | 481 | – |
