ETAMASTER M
Yuvarlak Kanal Fanı
ETAMASTER M model fanlar dairesel kanallara monte edilmek için tasarlanmıştır. Ofisler, restoranlar, teknik mekan vb. pek çok yapının havalandırma uygulamasında kullanılmaktadır.
Yapısı
– Karma akışlı yuvarlak kanal tipi fan
– Plastik gövdeli
– 3300 m³/h’ e kadar hava debisi
– 3 kademeli fan
– Hız ayarına uygun, voltaj kontrollü
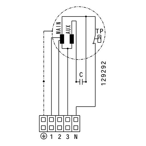
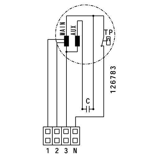
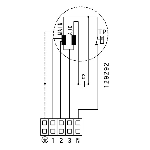
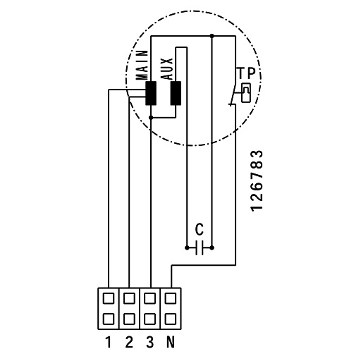
– Entegre termik korumalı, Monofaze, 230 V
– Bakım gerektirmeyen, uzun ömürlü rulman
– Standart 50 Hz ( 60 Hz opsiyonu mevcuttur )
| Model | Hava Debisi [m3/h] | ||||||
| 0Pa | 100Pa | 200Pa | 300Pa | 400Pa | 500Pa | 600Pa | |
| ETAMASTER 160L E2M 01 | 615 | 475 | 92 | _ | _ | _ | _ |
| ETAMASTER 200 E2M 01 | 1220 | 1037 | 835 | 219 | _ | _ | _ |
| ETAMASTER 250 E2M 01 | 1625 | 1465 | 1269 | 423 | 160 | _ | _ |
| ETAMASTER 280 E2M 01 | 2170 | 1983 | 1778 | 1442 | 489 | 144 | |
| ETAMASTER 315 E2M 01 | 3180 | 2997 | 2763 | 2491 | 2113 | 755 | 415 |
| ETAMASTER 400 E4M 01 | 3300 | 2768 | 804 | _ | _ | _ | _ |
