RFA-R
Dikdörtgen Kanal Fanı
RFA-R model fanlar dikdörtgen kanallara monte edilmek için tasarlanmıştır. Ofisler, restoranlar, oteller ,teknik mekan vb. pek çok yapının havalandırma uygulamasında kullanılmaktadır.
Yapısı
– Geriye eğik kanatlı dikdörtgen kanal tipi fan
– Galvaniz metal gövde, mühadele kapağı ile
– 11460 m³/h’ e kadar hava debisi
– Hız ayarına uygun, voltaj kontrollü
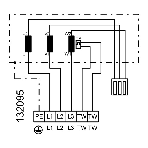
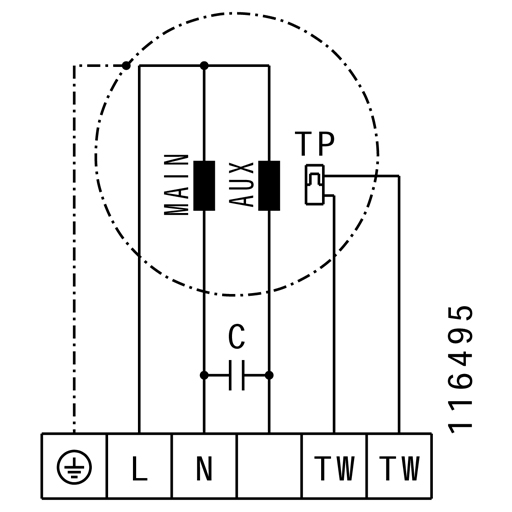
– Monofaze/Trifaze, 230/ 400 V
– Bakım gerektirmeyen, uzun ömürlü rulman
– Standart 50 Hz ( 60 Hz opsiyonu mevcuttur )
| Model | Hava Debisi [m3/h] | |||||||||
| 0Pa | 100Pa | 200Pa | 300Pa | 400Pa | 500Pa | 600Pa | 700Pa | 800Pa | 900Pa | |
| RFA 3015 RE2 40 | 500 | 408 | 300 | 169 | – | – | – | – | – | – |
| RFA 4020 RE2 20 | 1330 | 1202 | 1048 | 896 | 740 | 547 | 226 | – | – | – |
| RFA 5025 RE2 20 | 1800 | 1632 | 1437 | 1218 | 968 | 761 | 535 | 230 | – | – |
| RFA 6035 RE4 30 | 3020 | 2642 | 2088 | 1449 | 408 | – | – | – | – | – |
| RFA 6035 RE4 31 | 3920 | 3551 | 3089 | 2557 | 1879 | 549 | – | – | – | – |
| RFA 7040 RD4 30 | 5050 | 4617 | 4205 | 3778 | 3254 | 2518 | 572 | – | – | – |
| RFA 8050 RD4 30 | 9120 | 8636 | 8072 | 7455 | 6782 | 6053 | 5245 | 4288 | 3109 | 1667 |
| RFA 10050 RD4 30 | 11460 | 10888 | 10193 | 9416 | 8569 | 7723 | 6707 | 5403 | 3022 | 248 |
