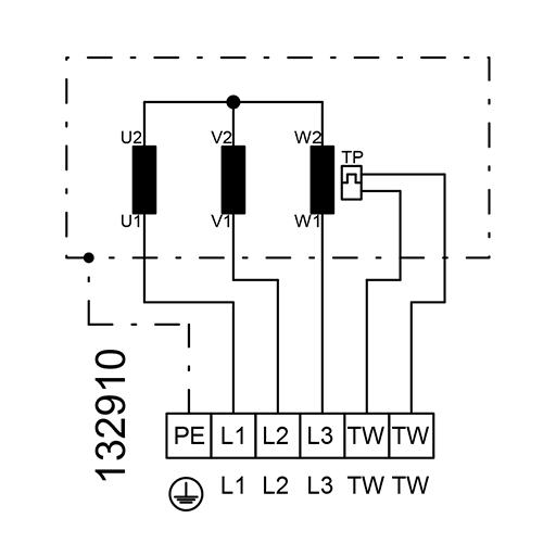
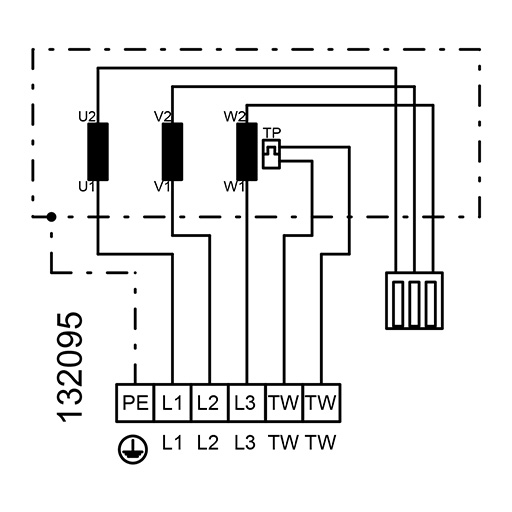
RFA-T
Dikdörtgen Kanal Fanı
RFA-T model fanlar dikdörtgen kanallara monte edilmek için tasarlanmıştır. Ofisler, restoranlar, oteller ,teknik mekan vb. pek çok yapının havalandırma uygulamasında kullanılmaktadır.
Yapısı
– İleriye eğik kanatlı dikdörtgen kanal tipi fan
– Galvaniz metal gövde, mühadele kapağı ile
– 9640 m³/h’ e kadar hava debisi
– Hız ayarına uygun, voltaj kontrollü
– Monofaze/Trifaze , 230/ 400 V
– Bakım gerektirmeyen, uzun ömürlü rulman
– Standart 50 Hz ( 60 Hz opsiyonu mevcuttur )
| Model | Hava Debisi [m3/h] | |||||||||||
| 0Pa | 100Pa | 200Pa | 300Pa | 400Pa | 500Pa | 600Pa | 700Pa | 800Pa | 900Pa | 1000Pa | 1100Pa | |
| RFA 4020 TE4 30 | 930 | 774 | 442 | – | – | – | – | – | – | – | – | – |
| RFA 5025 TD4 30 | 1840 | 1631 | 1391 | 987 | – | – | – | – | – | – | – | – |
| RFA 5030 TD4 30 | 2620 | 2299 | 1988 | 1487 | – | – | – | – | – | – | – | – |
| RFA 6030 TE4 20 | 2930 | 2817 | 2649 | 2419 | 2135 | 1675 | – | – | – | – | – | – |
| RFA 6030 TD4 30 | 3240 | 3039 | 2801 | 2496 | 2165 | 1693 | – | – | – | – | – | – |
| RFA 6035 TD4 30 | 3480 | 3253 | 3003 | 2716 | 2372 | 1844 | – | – | – | – | – | – |
| RFA 6035 TD4 31 | 4420 | 4203 | 3933 | 3682 | 3342 | 2927 | 2356 | – | – | – | – | – |
| RFA 6035 TD6 30 | 3140 | 2746 | 2303 | – | – | – | – | – | – | – | – | – |
| RFA 8050 TD4 30 | – | – | – | – | – | – | 6545 | 6120 | 5641 | 5048 | 4090 | 1954 |
