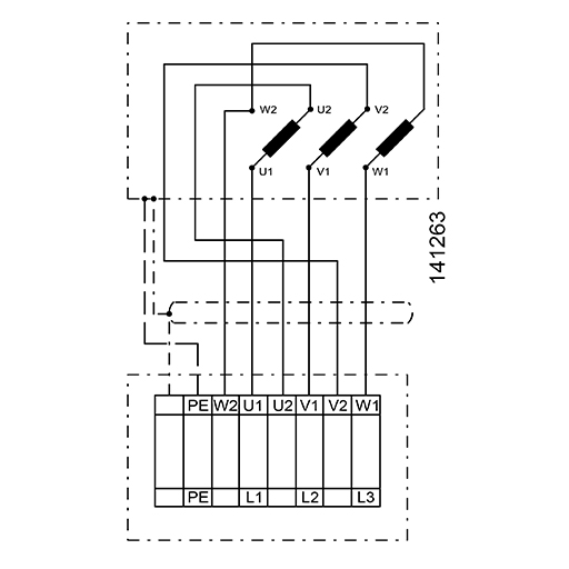
KBF-N 315 D2 T30

Mutfak Davlumbazı Kanal Fanı