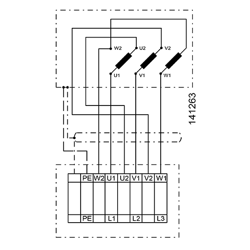
KBF-N 315 D4 T30

Mutfak Davlumbazı Kanal Fanı