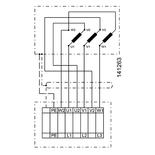
KBF-N 355 D4 T30

Mutfak Davlumbazı Kanal Fanı