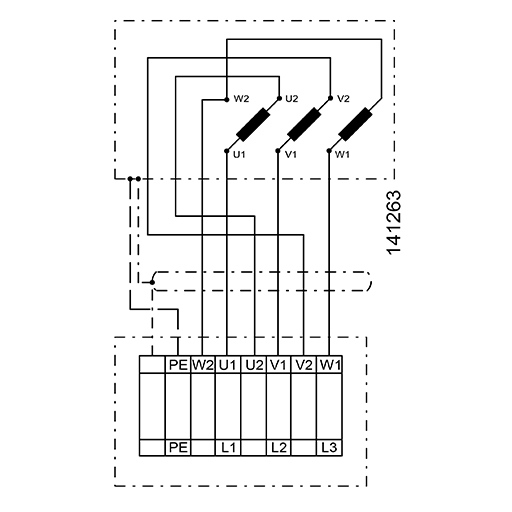
KBF-N 400 D4 T30

Mutfak Davlumbazı Kanal Fanı