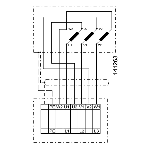
KBF-N 450 D4 T30

Mutfak Davlumbazı Kanal Fanı