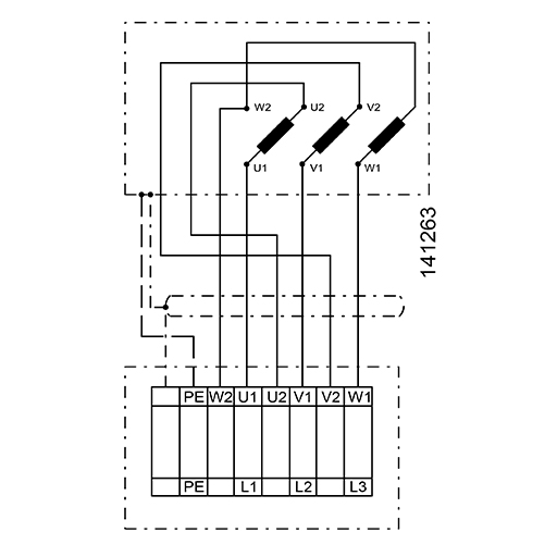
KBF-N 500 D4 T30

Mutfak Davlumbazı Kanal Fanı